
Всем ребятам пламенный. Эта публикация, заинтересует очень многих самоделкиных, а те кто серьёзно занимается электроникой, узнают кое-что новенькое для себя и смогут этим поделиться с другими ребятами. И так, приступим. Ранее, я уже пытался "на скорую руку," разрабатывать схему для бесперебойного освещения в доме. И даже изготовил действующий макет (кому интересно см. мою публикацию Б.А. для О.С.), но это было всё не очень серьёзно. Хотя, отдельные участки схемы, в доработанном виде, я всё-таки использовал и в этом проекте. Так вот! Я решил разработать всю необходимую электронную начинку и изготовить действующий макет накопителя энергии для своей безукоризненной осветительной системы "Сверх." Не хочу и наверняка не буду умирать от скромности и застенчивости, поэтому добавлю, этот накопитель энергии, просто шедевр творческой мысли. Поэтому, обязательно, внимательно всё прочитайте, изготовьте и внедряйте весь осветительный комплекс "Сверх" с накопителем энергии, повсеместно. Первым делом, я задумался о том, из чего сделать корпус всей конструкции. Идея пришла и не ушла. Так это у меня иногда бывает и хорошо что не заставила себя долго ждать. Письменно цитирую её слова: "Возьми-ка и используй, для своей цели, корпус от старого компьютерного бесперебойного источника питания". (Ну да, люблю я чуть-чуть пошутить). У меня в доме, этих корпусов было два. Один белого цвета, другой чёрного цвета. Выбрал чёрного цвета т.к. он не маркий и даже немного симпатичный. Через интернет заказал и приобрёл 14 штук аккумуляторных батарей Lifepo4 3.2V 7000mAh. Спаял их все последовательно, вывел из каждого спаянного соединения проводники и установил всю эту конструкцию в большую половинку корпуса. 
Крепление аккумуляторов, произвёл методом впаивания стальных проводников в пластмассовый корпус. Семь батарей, с суммарным напряжением в заряженном состоянии +23 Вольта, будут работать на одну половинку двухполярного источника, а другие семь элементов питания, на другую, но со знаком минус, если конечно производить измерения тестером, относительно средней точки. Таким образом, суммарное напряжение, исключая среднюю точку, равно 46 Вольт. Теперь, расскажу о интересном НОУ-ХАУ, которое я применил. Каждый элемент питания, в накопителе энергии, будет подзаряжаться от индивидуального зарядного устройства. Это позволит существенным образом увеличить срок службы аккумуляторов, даст возможность им очень эффективно работать и исключит такую неприятную вещь, как дисбаланс напряжений во всей последовательно соединённой цепи ЭП (элементов питания). Все зарядные устройства, я решил установить в другой части корпуса.
Все они и другие изготовленные макетные платы, на которые будут возложены особые функции в алгоритме работы накопителя энергии с автоматическим режимом управления, прекрасно помещаются в этой части корпуса. На каждой, из семи макетных плат зарядных устройств, я скомпоновал комплектующие и распаял их в две одинаковые электрические схемы ЗУ-2 (зарядное устройство-2). Первичный вариант, был гораздо сложнее и практически разрабатывался с учётом всех необходимых параметров, на рабочем столе.
Схема была усложнённая, но в процессе разрабатывания и изготовления любой новой электроники, бывают хорошие и плохие моменты. Хорошие показатели, в режиме максимальной нагрузочной способности этой схемы, были не оспоримы и это здорово. Но плохо то, что много электронных компонентов и распаивать их в схему, на макетной плате, очень не просто и долго. Ведь плат 7 штук.
Поэтому, с учётом того, что в любом случае необходимо изготовить семь плат, с двумя одинаковыми электронными схемами на них, я изменил, упростил принципиальную схему. Она теперь выглядит вот так.
Обычная, стандартная схема с использованием микросхемы LM 317T. Запуск схемы ЗУ-2, происходит от специального мощного электронного генератора. Схема генератора была разработана с учётом входного, основного двухполярного напряжения, которое поступает на вход накопителя энергии. Так же, я учёл и тот факт, что его нагрузкой будут являться 14-ть параллельно соединённых входа зарядных устройств ЗУ-2. Поэтому, выход генератора выполнен по двухтактной схеме с использованием мощных импортных транзисторов.
Всю схему генератора, распаял на макетной плате с такими-же размерами как и ЗУ-2. Она получилась чуть больше по габаритам чем ЗУ-2 т.к. смонтирована с небольшим радиатором на котором и установлены выходные транзисторы генератора.
Вот такая осциллограмма выходного сигнала с генератора. Частота генератора, была подобрана с учётом параметров обмоток импульсных трансформаторов. Она близка к резонансной и поэтому К.П.Д., во время работы со всеми используемыми компонентами, превзошёл все мои ожидания. Эти старые Советские трансформаторы, очень качественно изготовлены и они просто замечательно работают в этой разработке. Пока ещё их не сложно приобрести через интернет. У меня они лежали в закромах очень и очень долго.
Начальным действием, по подготовке корпуса к монтажу плат, были произведены механические работы по высверливанию отверстий в лицевой части панели блока. В этих отверстиях, я закрепил 14-ть светодиодов и кнопку управления. Только один, родной индикатор, отдельно от всех, будет служить для индикации процесса заряда аккумуляторов. Светодиоды распаяны тонкими проводниками в схему платы с оптронами. С помощью этой платы, можно оперативно узнать о состоянии аккумуляторов. При нажатии на жёлтую кнопку, включаются все 14-ть излучателей оптронов. В следствии этого, транзисторы оптронов, открываются и напряжения с элементов питания, через корректирующие цепи, поступают на панель со светодиодами. По яркости их свечения, легко определить в каком состоянии находится каждый аккумулятор.
Все оптроны распаяны на отдельной плате. Плату закрепил в той же части корпуса, где будут расположены все ЗУ-2. Но в первую очередь, необходимо крепить эту плату, т.к. к ней, в дальнейшем, будут подпаиваться провода согласно общей монтажной схемы всего устройства.
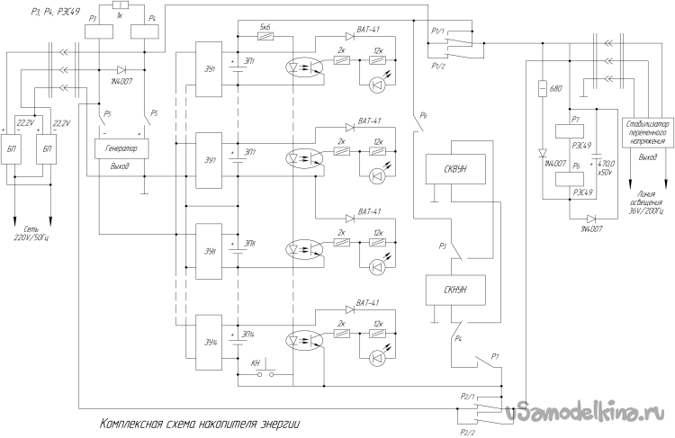
А теперь, ознакомьтесь с принципиальной комплексной схемой всего устройства.
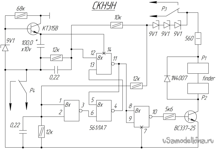
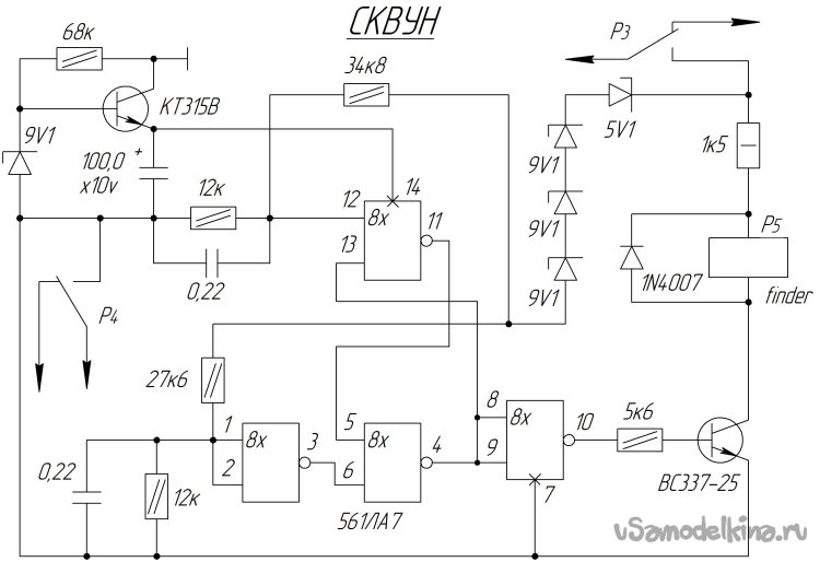
В этой схеме есть два прямоугольника с обозначениями СКНУН (схема контроля нижнего уровня напряжения) и СКВУН (схема контроля верхнего уровня напряжения). Эти, специально разработанные и изготовленные на макетных платах схемы, обеспечивают своевременную защиту аккумуляторов от критических значений напряжений. При достижении напряжения, на каждом аккумуляторе 3.29 Вольта, в схеме платы СКВУН, срабатывает триггер, который управляет работой транзистора. А транзистор, в зависимости от команды с триггера, отключает или включает реле Р5. При отключении реле, питание на генератор не приходит и в следствии этого, отсутствует входное переменное напряжение зарядных устройств ЗУ-2. Отключение заряда ЭП(элементов питания), при достижении необходимых значений напряжений, предотвращает перезаряд всех установленных аккумуляторов и этим действием, значительно увеличивает срок их службы.
Вот так выглядят эти платы. Принципиальные схемы СКВУН и СКНУН очень похожи. СКНУН не допускает полный разряд аккумуляторов и обеспечивает их защиту, полным отключением накопителя. В этой плате, триггер срабатывает при достижении значений напряжения на каждом аккумуляторе 2.20 Вольта. Реле Р1; Р2, отключаются и вся схема накопителя, перестаёт действовать до появления напряжения на входе.
В моём случае, напряжения на входе, появляются от двух импульсных источников БП, а возможны и другие варианты, например с использованием солнечных батарей или электромеханического генератора на 24 Вольта. Но это уже другие темы проектов и к ним мы ещё надеюсь когда-нибудь вернёмся. Все платы закрепил во второй половинке корпуса. Вот так это выглядит.
В конечном итоге, распаял всю схему накопителя энергии и собрал воедино всю конструкцию.
А теперь, постараюсь всё подробно описать, как накопитель энергии работает. Интересно то, что участие человека, в накоплении и отдачи энергии, не требуется. А это значит, что есть мозги, которые этими действиями управляют. Начну с того, что в корпусе устройства, изначально были вмонтированы разъёмы, или как их сейчас называют коннекторы. Один, с торчащими тремя штырьками наружу (папа), а другой с тремя вставными отверстиями (мама). Так вот, "папа" это вход блока, "мама" это выход. На вход блока подаётся постоянное двухполярное напряжение +/-22,2 Вольта, с общей точкой. Источниками являются два импульсных блока (БП). Поступающие напряжения, включают реле Р3 и Р4 (РЭС49). Эти реле, соединены последовательно с дополнительным резистором и имеют общее сопротивление около 3 кОм. Такое включение уменьшает ток через обмотки реле и поэтому они практически не греются. Эти же напряжения +/- 22В. поступают на контакты реле Р1/1; Р1/2 (по плюсу) и Р2/1; Р2/2 (по минусу). С этих контактов, они передаются через перекидные контакты реле Р1; Р2, на выходной разъём. Параллельно этому разъёму, подключена схема с реле Р6; Р7. Эти реле выполняют функцию задержки времени, при общем отключении накопителя. С выходного разъёма, напряжения +/- 22В., поступают на стабилизатор переменного напряжения осветительной системы. Но всё это происходит только при условии когда на обмотках Р1 и Р2, отсутствует питание. Питание на них, появляется только тогда, когда импульсные блоки (БП), перестают работать. Реле Р3; Р4 отключаются и через их перекидные контакты, подаются напряжения от аккумуляторных батарей на плату СКНУН. При условии, что все аккумуляторы заряжены, плата СКНУН включает реле Р1; Р2 и в этом режиме, питание на нагрузку поступает от батарей. Когда накопленная энергия в батареях частично иссякнет, до уровня общего напряжения 30,8 Вольта, в плате СКНУН сработает триггер, транзистор закроется и прекратится подача питания на обмотки реле Р1; Р2. С небольшой задержкой (3сек.) отключатся реле Р6; Р7 и вся схема накопителя энергии обесточится. Далее, когда заработают основные источники напряжений, включатся реле Р3; Р4 и Р6; Р7. Своими контактами, они подадут питание на плату СКВУН и схема этой платы, включит реле Р5, которое своими контактами, запустит электронный генератор. Выходной сигнал с генератора, начнёт питать схемы зарядных устройств ЗУ-2 и пойдёт процесс накопления энергии на аккумуляторных батареях. При достижении общего, суммарного напряжения 46 Вольт, в плате СКВУН, сработает триггер который управляет транзистором. На базу транзистора, поступит нулевой потенциал, транзистор закроется и на обмотку реле Р5 перестанет поступать напряжение. Управляющие контакты Р5, разомкнутся и генератор перестанет работать. В этом состоянии, схема накопителя энергии, работает в ждущем режиме. Когда отключатся основные источники питания, все автоматические действия внутренней электронной начинки, будут циклично повторяться и это повторение может происходить до 10 тыс. раз а может и больше. Лично я, в этом уверен.

Комментарии (0)